Виробник: AD
Код товару: Т0000026027
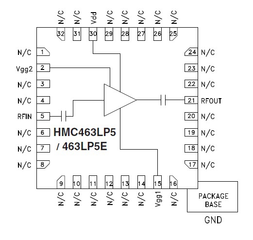
Маркування: H463
| Найменування | Значення | Одиниці вимірювання | Режим вимірювання |
|---|---|---|---|
| Функціональне призначення | GaAs pHEMT MMIC LOW NOISE | ||
| > | AGC AMPLIFIER, 2 - 20 GHz | ||
| > | Gain: 13 dB | ||
| > | Noise Figure: 2.8 dB @ 10 GHz | ||
| > | P1dB Output Power: +18 dBm @ 10 GHz | ||
| > | Supply Voltage: +5V @ 60mA | ||
| > | 50 Ohm Matched Input/Output | ||
| > | Drain Bias Voltage (Vdd): +9V | ||
| > | Gate Bias Voltage (Vgg1): -2 to 0V | ||
| > | Gate Bias Current (Igg1): 2.5 mA | ||
| > | Gate Bias Voltage (Vgg2)(AGC): (Vdd -9) Vdc to +2V | ||
| > | RF Input Power (RFIN)(Vdd = +5V): +18 dBm | ||
| > | Continuous Pdiss (T= 85 °C) : 1.24 W | ||
| Температура робоча | -40...+85 | *C |
| Найменування | K | Вага, г |
|---|---|---|
| min кратність пакування | 1 | |
| упаковка (шт) | 1 | |
| шт | 1 |