GBU810 діодний міст
8A0-1000V SIP-04 GBU810 DIODES

Виробник: DIODES

Код товару: Т0000025987

Маркування: GBU810

Кількість приладів:
вільно
96
очікується
0
резерв
0
замовлено

Параметри

Найменування Значення Одиниці вимірювання Режим вимірювання
Напруга зворотна пікова max 1 000 V
Напруга зворотна RMS max 700 Vac
Напруга зворотна постійна max 1 000 Vdc
Струм max прямий допустимий 8 A
Струм max PEAK прямий допустимий одиночний імпульс 200 A
Напруга пряма (Forward voltage) 1 V @Iav=4A@25*C
Струм витоку 5 mkA @25*C ...500mkA@100*C
Температура робоча -55...+150 *C

Одиниці вимірювання

Найменування K Вага, г
min кратність пакування 1
упаковка (шт) 100
шт 1

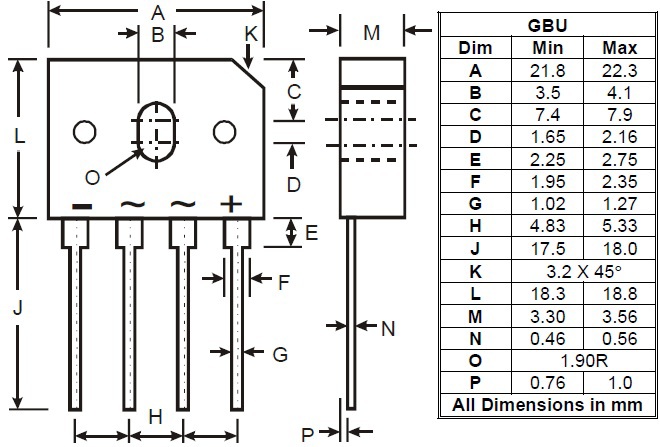
Корпус

22.3x3.56x18.8+18.0mm ++5.08mm