ZX60-123LN-S+ підсилювач
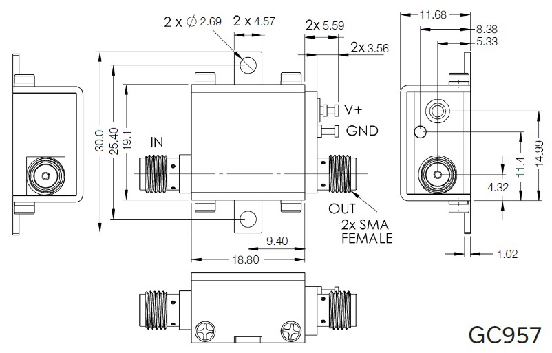
ZX60-123LN-S+ Case Style GC957 Mini-Circuits

Виробник: Mini-Circuits

Код товару: Т0000025890

Маркування: ZX60-123LN-S+

Кількість приладів:
вільно
0
очікується
0
резерв
0
замовлено

Параметри

Найменування Значення Одиниці вимірювання Режим вимірювання
Функціональне призначення Coaxia Low Phase Noise Amplifier
> 50Ω 0.5 to 12 GHz SMA Female
> Impedance: 50 Ohm
> Flat gain, 17 ±2.4 dB over full band
> Output P1dB, +18 dBm typ.
> Low noise figure, 2.4 dB
> High IP3, +28 dBm
Напруга живлення 13 Vdc
Температура робоча -40...+85
> Protected by US patent 6,790,049

Одиниці вимірювання

Найменування K Вага, г
min кратність пакування 1
упаковка (шт) 1
шт 1 23

Корпус

19.1(30.0)x18.8x11.68mm