6V3-1200mkF-20%-105*C конденсатор EEU-FR0J122L
0006V3-1200mkF-20%-105*-08x15mm Low ESR 0.041 Ohm Irr=1A240 EEU-FR0J122L Panasonic

Виробник: Panasonic

Код товару: Т0000025866

Маркування: 6,3V 1200uF 105*C FR

Кількість приладів:
вільно
1000
очікується
0
резерв
0
замовлено

Параметри

Найменування Значення Одиниці вимірювання Режим вимірювання
Тип конденсатора електролітичниий низкоімпедансний
Ємність 1 200 mkF ±20%
Напруга (номінальна) 6,3 V
Dissipation Factor 0,22 @120Hz@20*C
Rated Ripple Current 1 240 mA @120Hz@85*C
Impedance 0,041 Ohm
Ripple Current Multiplier (f@k*Irr) 0.6@60Hz 0.7@120Hz 0.85@1kHz 0.95@10kHz 1.@100kHz
Довговічність 8000 h
Температура робоча -40...+105 *C

Одиниці вимірювання

Найменування K Вага, г
min кратність пакування 1
упаковка (шт) 1 000
шт 1

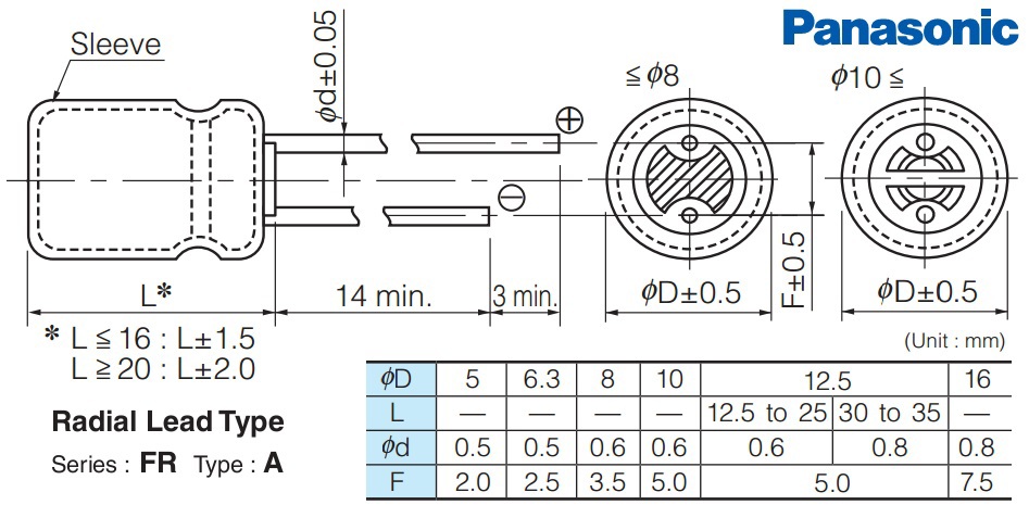
Корпус

DxL(H)=08.0x15.0mm ++3.50mm