1ED020I12-F2 мікросхема
020I12-F2 PG-DSO-16-15 1ED020I12-F2 Infineon

Виробник: Infineon

Код товару: Т0000025831

Маркування: 1ED020I12-F2

Кількість приладів:
вільно
0
очікується
0
резерв
10
замовлено

Параметри

Найменування Значення Одиниці вимірювання Режим вимірювання
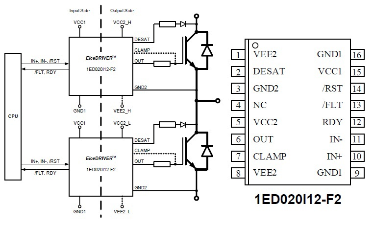
Функціональне призначення Single channel isolated IGBT Driver
> For 600V/1200 V IGBTs
> 2 A rail-to-rail output
> Vcesat-detection
> Active Miller Clamp
Температура робоча -40...+125 *C

Одиниці вимірювання

Найменування K Вага, г
min кратність пакування 1
упаковка (шт) 1
шт 1

Корпус

DSO-14 8.65x3.90(6.00)x1.72mm ++1.27mm