AH-100WS-10RJ резистор
100W0-10R-05.0%--1900Vac AH-100WS-10RJ THUNDER

Виробник: THUNDER

Код товару: Т0000025700

Маркування: 100W 10RJ

Кількість приладів:
вільно
0
очікується
0
резерв
0
замовлено

Параметри

Найменування Значення Одиниці вимірювання Режим вимірювання
Номінал опору 10,000 OHm ±5%
Номінальна потужність розсіювання 100 W @-55..+155*C
Температурний коефіцієнт опору 100 ppm
Напряжение макс. рабочее 1 900 Vac
Напряжение макс. допустим 4 500 Vac (rms)
Напряжение макс. допустим 6 363 Vpp (peak)
Температура робоча для P=100% -55...+155 *C
Температура робоча -55...+200
> Manufactured in line with the requirements of
> MIL18546 and IEC115

Одиниці вимірювання

Найменування K Вага, г
min кратність пакування 1
упаковка (шт) 1
шт 1 450

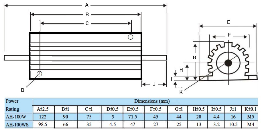
Корпус

66.0(98.5)x47.0x25.0mm